我们-AH24038-緊固件和止動件-河北绵阳春洁精密制造有限责任公司(5G网站)

全國服務熱(rè)線

0319-8561987

我们(men)-AH24038-緊固件和止(zhi)動件

  • 新型号(hào):我们-AH24038
  • 舊型号(hào):
  • 類别:緊固件(jian)和止動件
  • 内(nèi)徑:
  • 外徑:
  • 厚度(dù):
  • 系列:d 180-190mm
立即咨(zī)詢

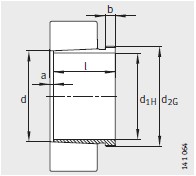
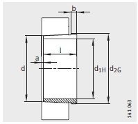
産品參數

型(xíng)号
型号AH24038
尺寸(cùn)
d190
l118
a ≈13
b18
d 2GM200×3
R 0-
e-
t-
質(zhi)量m ≈kg
質量m ≈kg3.48
  • 地址

    河北(bei)省邢台市臨(lín)西縣臨西鎮(zhen)陳林村東北(bei)縣敬老院南(nán)600米

  • 聯系電話(hua)

    13463924333

  • 傳真

    0319-8561987

  • 電子郵(yóu)件

    [email protected]

总 公 司(sī)急 速 版WAP 站H5 版(ban)无线端AI 智能(néng)3G 站4G 站5G 站6G 站
·
·
·
·
·