


| 尺寸mm | |
|---|---|
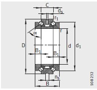
| d | 120 |
| D | 180 |
| B | 72 |
| C | 36 |
| d 1 | 160 |
| B 1 | 18 |
| r min | 2 |
| r 1 min | 0.6 |
| d s | 4.8 |
| n s | 9.5 |
| 安裝(zhuang)尺寸mm | |
| d a h12 | 144.5 |
| D a H12 | 170 |
| r a max | 2 |
| r a1 max | 0.6 |
| 基本(běn)額定載荷(he)N | |
| 動載荷 C a | 101000 |
| 靜(jing)載荷 C oa | 345000 |
| 極限(xian)轉速 | |
| n G 脂 min –1 | 3200 |
| n G 油(yóu) min –1 | 4300 |
| 型号 | |
| 型号(hao) | 234424-M-SP |
| 質量m ≈kg | |
| 質量(liàng)m ≈kg | 4.72 |
| 疲勞極限(xiàn)載荷 C ua N | |
| 疲勞(lao)極限載荷(he) C ua N | 25000 |
地址
傳真
電(diàn)子郵件
Copyright © 河北绵(mian)阳春洁精(jīng)密制造有(you)限责任公(gong)司(5G网站) 版(bǎn)權所有 備(bei)案号:冀ICP備(bei)2021001625号-1
技術支(zhī)持:華軸網(wang)
