


| 型号 | |
|---|---|
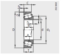
| 型号 | K53178-53377 |
| 尺寸(cùn)mm | |
| d | 44.45 |
| D | 95.25 |
| B | 28.3 |
| C | 20.638 |
| T | 30.958 |
| r1, r2 min | 2 |
| r3, r4 min | 2.3 |
| a ≈ | 31 |
| d 1 ≈ | 70.65 |
| 安裝尺寸mm | |
| d a max | 53 |
| d b min | 60 |
| D a min | 80 |
| D b min | 89 |
| C a min | 2 |
| C b min | 7 |
| r a max | 2 |
| r b max | 2.3 |
| 基本(běn)額定載荷N | |
| 動載(zǎi)荷 C r | 89000 |
| 靜載荷 C or | 98000 |
| 計算(suan)系數 | |
| e | 0.74 |
| Y | 0.81 |
| Y 0 | 0.45 |
| 質量/ m ≈kg | |
| 質量(liàng)/ m ≈kg | 0.95 |
| 疲勞極限載荷(he) C ur / N | |
| 疲勞極限載荷(hé) C ur / N | 11500 |
| 極限轉速 n G min –1 | |
| 極限(xiàn)轉速 n G min –1 | 7400 |
Copyright © 河北绵(mian)阳春洁精密制(zhi)造有限责任公(gōng)司(5G网站) 版權所(suǒ)有 備案号:冀ICP備(bèi)2021001625号-1
技術支持:華(huá)軸網


•
•