我们-LR207-X-2RS1)-滾輪-河北绵阳春洁精密制造有限责任公司(5G网站)

全國服務熱(re)線

0319-8561987

我们(men)-LR207-X-2RS1)-滾輪

  • 新型号(hao):我们-LR207-X-2RS1)
  • 舊型号(hào):
  • 類别:滾輪
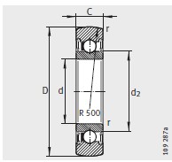
  • 内(nèi)徑:35
  • 外徑:80
  • 厚度(dù):
  • 系列:支承型(xing)滾輪 單列 密(mi)封
立即咨詢(xún)

産(chan)品參數

尺寸(cùn)mm
D80
d
C17
d 242.4
r min1.1
基本額定載(zǎi)荷N
動載荷 C rw20400
靜(jìng)載荷 C orw12100
型(xing)号LR207-X-2RS1)
質量m ≈kg
質量(liàng)m ≈kg400
疲勞極限載(zai)荷 C urw N
疲勞極限(xian)載荷 C urw N640
轉速 n DG min –1
轉(zhuǎn)速 n DG min –1
总 公 司急 速(sù) 版WAP 站H5 版无线(xiàn)端AI 智能3G 站4G 站(zhan)5G 站6G 站
·
·
·
·
·