


| 尺寸mm | |
|---|---|
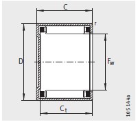
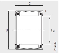
| F w | 5 |
| D | 9 |
| C -0.3 | 9 |
| C t min | 7.4 |
| r min | 0.4 |
| 基本(ben)額定載荷N | |
| 動(dong)載荷 C r | 2400 |
| 靜載荷(he) C 0r | 1990 |
| 适合内圈(需(xu)單獨訂購) | |
| LR 型(xing)号 | - |
| IR 型号 | - |
| 極限(xian)轉速 n G min –1 | |
| 極限轉(zhuǎn)速 n G min –1 | 39000 |
| 開式沖壓(yā)外圈滾針軸(zhóu)承 | |
| 型号 | +HK0509 |
| 質量(liang) /m ≈kg | 2 |
| 閉式沖壓外(wài)圈滾針軸承(chéng) | |
| 型号 | +BK0509 |
| 質量/ m ≈kg | 2.1 |
| 疲(pi)勞極限載荷(hé) C ur N | |
| 疲勞極限載(zǎi)荷 C ur N | 239 |
| 參考轉速(su) n B min –1 | |
| 參考轉速 n B min –1 | 36500 |
河北(bei)绵阳春洁精(jīng)密制造有限(xian)责任公司(5G网(wang)站)專業銷售(shòu) 我们-+BK0509-沖壓外(wài)圈滾針軸承(chéng), 我们-+BK0509-沖壓外(wài)圈滾針軸承(chéng) 相關信息有(yǒu): 型号 我们-+BK0509 内(nei)徑:5 外徑:9 厚度(du):9 類别:沖壓外(wai)圈滾針軸承(chéng) ,想要更多的(de)了解 我们-+BK0509-沖(chong)壓外圈滾針(zhēn)軸承 的相關(guan)信息,可以進(jin)行在線咨詢(xún)或者撥打熱(re)線電話 ,我們(men)會詳細為您(nín)服務。
我们-+BK0509-沖(chong)壓外圈滾針(zhēn)軸承 使用範(fan)圍很廣,我们(men)-+BK0509-沖壓外圈滾(gun)針軸承 主要(yào)應用于工程(cheng)機械、機床、汽(qi) 車、冶金、礦山(shan)、石油、機械、電(dian)力、鐵路等行(hang)業,本公司銷(xiao)售的 我们-+BK0509-沖(chong)壓外圈滾針(zhen)軸承 價格合(he)理,保證質量(liàng),全方面的服(fú)務,盡一切滿(mǎn)足客戶的需(xū)求。
地址
傳(chuan)真
電子郵件(jian)

••
·• ·