


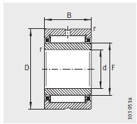
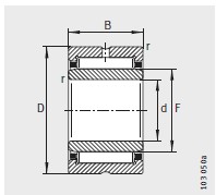
| 尺(chǐ)寸mm | |
|---|---|
| d | 7 |
| F | 10 |
| D | 17 |
| B | 12 |
| r min | 0.3 |
| s 2) | 1.5 |
| 基本額定(ding)載荷N | |
| 動載荷(hé) C r | 5300 |
| 靜載荷 C or | 5500 |
| X-life | |
| X-life | XL |
| 疲勞(lao)極限載荷 C ur /N | |
| 疲(pí)勞極限載荷(he) C ur /N | 930 |
| 極限轉速 n G min –1 | |
| 極(jí)限轉速 n G min –1 | 29500 |
| 質量(liàng)m ≈kg | |
| 質量m ≈kg | 13.7 |
| 參考轉(zhuǎn)速 n B min –1 | |
| 參考轉速(sù) n B min –1 | 26000 |
| 型号1 | |
| 型号1 | NKI7/12-TV1) |
| 型(xing)号2 | |
| 型号2 | - |
| 型号(hào)3 | |
| 型号3 | - |
| 型号4 | |
| 型(xíng)号4 | - |
地(di)址
聯(lián)系電話
電子郵件
Copyright © 河(hé)北绵阳春洁(jie)精密制造有(you)限责任公司(si)(5G网站) 版權所(suǒ)有 備案号:冀(ji)ICP備2021001625号-1
技術支(zhī)持:華軸網

