


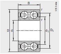
| 尺寸(cun) mm | |
|---|---|
| d | 65 |
| D | 120 |
| B | 31 |
| r min | 1.5 |
| D 1 ≈ | 101.9 |
| d 1 ≈ | 84.2 |
| 安裝尺寸 mm | |
| d a min | 74 |
| D a max | 111 |
| r a max | 1.5 |
| 基本(ben)額定載荷 N | |
| 動載(zǎi)荷 C r | 67000 |
| 靜載荷 C or | 67000 |
| 型号(hào) | |
| 型号 | 4213 |
| 質量m ≈kg | |
| 質量(liàng)m ≈kg | 1.6 |
| 疲勞極限載荷(he) C ur / N | |
| 疲勞極限載荷(hé) C ur / N | 3350 |
| 極限轉速 n G /min –1 | |
| 極限(xiàn)轉速 n G /min –1 | 4800 |
地(di)址
聯系電話
傳真(zhen)
電子郵件
Copyright © 河北(bei)绵阳春洁精密(mi)制造有限责任(ren)公司(5G网站) 版權(quan)所有 備案号:冀(ji)ICP備2021001625号-1
技術支持(chi):華軸網
