


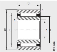
| 尺寸mm | |
|---|---|
| d | 30 |
| D | 45 |
| B | 17 |
| F | 35 |
| E | 40 |
| r min | 0.3 |
| s 1) | 0.8 |
| 基本(ben)額定載荷N | |
| 動載(zai)荷 C r | 23500 |
| 靜載荷 C or | 38500 |
| 型号(hao) | |
| 型号 | NAO30X45X17 |
| X-life | |
| X-life | XL |
| 質量 m ≈kg | |
| 質量(liang) m ≈kg | 102 |
| 疲勞極限載荷(he) C ur /N | |
| 疲勞極限載荷(hé) C ur /N | 6100 |
| 極限轉速 n G min –1 | |
| 極限(xian)轉速 n G min –1 | 13100 |
| 參考轉速(sù) n B min –1 | |
| 參考轉速 n B min –1 | 7100 |
| 安裝(zhuang)尺寸mm | |
| d a | 34.5 |
| D b | 35.6 |
| d b | 39.4 |
| D a | 40.5 |
| r a max | 0.3 |
地(dì)址
傳真(zhēn)
電子郵件
Copyright © 河北(běi)绵阳春洁精密(mì)制造有限责任(rèn)公司(5G网站) 版權(quán)所有 備案号:冀(ji)ICP備2021001625号-1
技術支持(chi):華軸網

•
•
·• ·•·
•