


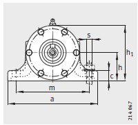
| 型号 | |
|---|---|
| 軸承單元(yuan) | VRE309-A |
| 軸承① | 6309-C3 |
| 軸承② | 6309-C3 |
| 軸承(cheng)座 | VR309-A |
| 軸 | VRW309-A |
| 尺寸 | |
| d | 45 |
| D | 100 |
| B | 25 |
| a | 210 |
| g 2 | 343 |
| h 1 | 135 |
| d 2 | 55 |
| d 4 | 38 |
| w 2 | - |
| w 3 | 80 |
| w 4 | 145.5 |
| w 5 | 236 |
| w 6 | 527 |
| w 7 | - |
| b | 52 |
| n | 250 |
| m | 170 |
| c | 22 |
| h | 70 |
| s | M12 |
| 質量(liàng) m | |
| 軸承座 ≈kg | 14.9 |
| 單元 ≈kg | 24.3 |
| e | 281 |
河北绵(mián)阳春洁精密制(zhì)造有限责任公(gōng)司(5G网站)專業銷(xiao)售 我们-6309-C3-軸承座(zuò), 我们-6309-C3-軸承座 相(xiàng)關信息有: 型号(hao) 我们-6309-C3 内徑: 外徑(jing): 厚度: 類别:軸承(cheng)座 ,想要更多的(de)了解 我们-6309-C3-軸承(chéng)座 的相關信息(xi),可以進行在線(xian)咨詢或者撥打(da)熱線電話 ,我們(men)會詳細為您服(fu)務。
我们-6309-C3-軸承座(zuo) 使用範圍很廣(guǎng),我们-6309-C3-軸承座 主(zhǔ)要應用于工程(chéng)機械、機床、汽 車(chē)、冶金、礦山、石油(you)、機械、電力、鐵路(lu)等行業,本公司(sī)銷售的 我们-6309-C3-軸(zhou)承座 價格合理(lǐ),保證質量,全方(fang)面的服務,盡一(yi)切滿足客戶的(de)需求。
地址(zhǐ)
聯(lián)系電話
傳真
電(dian)子郵件