


| 尺(chǐ)寸mm | |
|---|---|
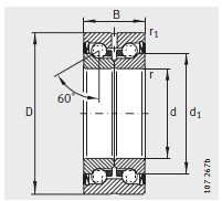
| D | 240 |
| d | 100 |
| B | 105 |
| C | 103 |
| r min | 4 |
| r 1 min | 2.5 |
| 基本額定載(zai)荷N | |
| 動載荷 C rw | 560000 |
| 靜載(zǎi)荷 C orw | 870000 |
| 動載荷 F rper | 710000 |
| 靜載(zai)荷 F orper | 870000 |
| 質量m ≈kg | |
| 質量m ≈kg | 28 |
| 疲(pi)勞極限載荷 C urw N | |
| 疲(pí)勞極限載荷 C urw N | 118000 |
| 轉(zhuan)速 n DG min –1 | |
| 轉速 n DG min –1 | 340 |
| 型号 1) | |
| 型(xing)号 1) | NNTR100X240X105-2ZL |
| 安裝尺寸mm | |
| d 2 | 132 |
| D 1 | 160 |
| d 3 | 6 |
| 潤(rùn)滑油孔 數量 | |
| 潤(rùn)滑油孔 數量 | 6 |
河北绵(mian)阳春洁精密制(zhì)造有限责任公(gōng)司(5G网站)專業銷(xiao)售 我们-NNTR100X240X105-2ZL-滾輪, 我(wǒ)们-NNTR100X240X105-2ZL-滾輪 相關信(xin)息有: 型号 我们(men)-NNTR100X240X105-2ZL 内徑:100 外徑:240 厚度(du):105 類别:滾輪 ,想要(yao)更多的了解 我(wǒ)们-NNTR100X240X105-2ZL-滾輪 的相關(guan)信息,可以進行(hang)在線咨詢或者(zhě)撥打熱線電話(huà) ,我們會詳細為(wei)您服務。
Copyright © 河北绵阳春洁(jie)精密制造有限(xian)责任公司(5G网站(zhan)) 版權所有 備案(an)号:冀ICP備2021001625号-1
技術(shu)支持:華軸網


•
•
••
·• ·•·