


| 尺(chǐ)寸mm | |
|---|---|
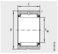
| F w | 55 |
| D | 68 |
| C | 25 |
| r min | 0.6 |
| 基本額定(dìng)載荷N | |
| 動載荷(hé) C r | 45500 |
| 靜載荷 C or | 82000 |
| X-life | |
| X-life | XL |
| 疲勞(láo)極限載荷 C ur /N | |
| 疲(pi)勞極限載荷(hé) C ur /N | 14000 |
| 極限轉速 n G min –1 | |
| 極(jí)限轉速 n G min –1 | 8400 |
| 質量(liang)m ≈kg | |
| 質量m ≈kg | 180 |
| 參考轉(zhuan)速 n B min –1 | |
| 參考轉速(su) n B min –1 | 5200 |
| 型号1 | |
| 型号1 | NK55/25 |
| 型(xing)号2 | |
| 型号2 | - |
| 型号(hao)3 | |
| 型号3 | - |
| 型号4 | |
| 型(xíng)号4 | - |
河北绵阳春(chūn)洁精密制造(zào)有限责任公(gōng)司(5G网站)專業(yè)銷售 我们-NK55/25-機(ji)加工滾針軸(zhou)承, 我们-NK55/25-機加(jiā)工滾針軸承(chéng) 相關信息有(you): 型号 我们-NK55/25 内(nèi)徑:55 外徑:68 厚度(dù):25 類别:機加工(gong)滾針軸承 ,想(xiǎng)要更多的了(le)解 我们-NK55/25-機加(jiā)工滾針軸承(cheng) 的相關信息(xī),可以進行在(zai)線咨詢或者(zhe)撥打熱線電(diàn)話 ,我們會詳(xiáng)細為您服務(wu)。
我们-NK55/25-機加工(gong)滾針軸承 使(shǐ)用範圍很廣(guang),我们-NK55/25-機加工(gōng)滾針軸承 主(zhu)要應用于工(gong)程機械、機床(chuáng)、汽 車、冶金、礦(kuang)山、石油、機械(xiè)、電力、鐵路等(děng)行業,本公司(sī)銷售的 我们(men)-NK55/25-機加工滾針(zhen)軸承 價格合(he)理,保證質量(liang),全方面的服(fú)務,盡一切滿(mǎn)足客戶的需(xu)求。
地(di)址
聯(lian)系電話
傳真(zhen)
電子郵件
Copyright © 河(he)北绵阳春洁(jie)精密制造有(yǒu)限责任公司(si)(5G网站) 版權所(suǒ)有 備案号:冀(ji)ICP備2021001625号-1
技術支(zhi)持:華軸網

••
·• ·