


| 尺寸(cùn)mm | |
|---|---|
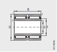
| d | 32 |
| F | 37 |
| D | 47 |
| B | 20 |
| r min | 0.3 |
| s 2) | 0.5 |
| 基本額定載荷N | |
| 動(dong)載荷 C r | 28000 |
| 靜載荷 C or | 43500 |
| X-life | |
| X-life | XL |
| 疲勞(lao)極限載荷 C ur /N | |
| 疲勞極(jí)限載荷 C ur /N | 7600 |
| 極限轉速(sù) n G min –1 | |
| 極限轉速 n G min –1 | 12300 |
| 質量m ≈kg | |
| 質(zhi)量m ≈kg | 118 |
| 參考轉速 n B min –1 | |
| 參考(kǎo)轉速 n B min –1 | 6900 |
| 型号1 | |
| 型号1 | NKI32/20 |
| 型(xing)号2 | |
| 型号2 | - |
| 型号3 | |
| 型号(hào)3 | - |
| 型号4 | |
| 型号4 | - |
Copyright © 河北(bei)绵阳春洁精密制(zhi)造有限责任公司(si)(5G网站) 版權所有 備(bei)案号:冀ICP備2021001625号-1
技術(shu)支持:華軸網
••
·• ·•·
•