


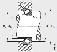
| 尺寸(cun)mm | |
|---|---|
| d | 500 |
| D | 870 |
| T | 224 |
| D 1 | 654 |
| d 1 | 790 |
| r min | 9.5 |
| T 1 | 107 |
| T 2 | 81 |
| T 3 | 142 |
| T 4 | 160 |
| A | 290 |
| 安裝尺寸mm | |
| d a min | 670 |
| D a max | 765 |
| D b min | 886 |
| d b max | 542 |
| r a max | 8 |
| 基本(ben)額定載荷N | |
| 動載(zǎi)荷 C a | 9300000 |
| 靜載荷 C oa | 37500000 |
| 型号(hao) | |
| 型号 | 294/500-E-MB |
| 質量m ≈kg | |
| 質量(liàng)m ≈kg | 525 |
| 疲勞極限載荷(he) C ua N | |
| 疲勞極限載荷(he) C ua N | 1930000 |
| 極限轉速 n G min –1 | |
| 極限(xiàn)轉速 n G min –1 | 530 |
| 參考轉速(sù) n B min –1 | |
| 參考轉速 n B min –1 | 340 |
河北绵阳(yang)春洁精密制造(zao)有限责任公司(si)(5G网站)專業銷售(shou) 我们-294/500-E-MB-推力調心(xin)滾子軸承, 我们(men)-294/500-E-MB-推力調心滾子(zǐ)軸承 相關信息(xī)有: 型号 我们-294/500-E-MB 内(nei)徑:500 外徑:870 厚度:224 類(lèi)别:推力調心滾(gǔn)子軸承 ,想要更(geng)多的了解 我们(men)-294/500-E-MB-推力調心滾子(zi)軸承 的相關信(xìn)息,可以進行在(zai)線咨詢或者撥(bō)打熱線電話 ,我(wǒ)們會詳細為您(nín)服務。
我们-294/500-E-MB-推力(lì)調心滾子軸承(chéng) 使用範圍很廣(guang),我们-294/500-E-MB-推力調心(xīn)滾子軸承 主要(yào)應用于工程機(ji)械、機床、汽 車、冶(yě)金、礦山、石油、機(jī)械、電力、鐵路等(děng)行業,本公司銷(xiao)售的 我们-294/500-E-MB-推力(lì)調心滾子軸承(cheng) 價格合理,保證(zhèng)質量,全方面的(de)服務,盡一切滿(man)足客戶的需求(qiu)。
·• ·•·
•