

| 型号 | |
|---|---|
| 型号 | NU2272-E-M1 |
| 疲勞(láo)極限載荷 C ur / N | |
| 疲勞(lao)極限載荷 C ur / N | 520000 |
| 極限(xiàn)轉速 n G /min –1 | |
| 極限轉速(su) n G /min –1 | 1400 |
| 參考轉速 n B /min –1 | |
| 參考(kǎo)轉速 n B /min –1 | 520 |
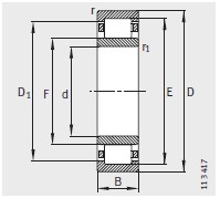
| 尺寸 mm | |
| d | 360 |
| D | 650 |
| B | 170 |
| r min | 6 |
| s 1) | 6 |
| r 1 min | 15 |
| E | 588 |
| F | 428 |
| D 1 ≈ | 562 |
| 安裝(zhuāng)尺寸 mm | |
| d a min | 386 |
| d a max | 424 |
| d b min | 432 |
| D a max | 624 |
| r a max | 5 |
| r a1 max | 5 |
| 基本額定(ding)載荷 N | |
| 動載荷 C r | 3600000 |
| 靜(jìng)載荷 C or | 5700000 |
| 質量m ≈kg | |
| 質量(liàng)m ≈kg | 254 |
聯(lian)系電話
傳真
Copyright © 河北绵(mian)阳春洁精密制(zhì)造有限责任公(gōng)司(5G网站) 版權所(suǒ)有 備案号:冀ICP備(bei)2021001625号-1
技術支持:華(hua)軸網