


| 型号 | |
|---|---|
| 軸承 | 23936-S-K-MB |
| X-life | - |
| 退卸(xie)套 | AH3936 |
| 質量m | |
| 軸承 ≈kg | 7.76 |
| 退(tuì)卸套 ≈kg | 1.91 |
| 尺寸 mm | |
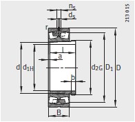
| d 1H | 170 |
| d | 180 |
| D | 250 |
| B | 52 |
| r min | 2 |
| D 1 ≈ | 230.9 |
| d 2 ≈ | - |
| d s | 4.8 |
| n s | 9.5 |
| a ≈ | 5 |
| b | 13 |
| 螺紋(wen) d 2G | M190×3 |
| I | 66 |
| 安裝尺寸 mm | |
| d a min | 188.8 |
| D a max | 241.2 |
| r a max | 2 |
| 基本(ben)額定載荷 N | |
| 動載(zai)荷 C r | 440000 |
| 靜載荷 C or | 850000 |
| 計算(suàn)系數 | |
| e | 0.2 |
| Y 1 | 3.42 |
| Y 2 | 5.09 |
| Y 0 | 3.34 |
| 疲勞極限(xian)載荷 C ur / N | |
| 疲勞極限(xian)載荷 C ur / N | 57000 |
| 極限轉速(sù) n G /min –1 | |
| 極限轉速 n G /min –1 | 2200 |
| 參考(kao)轉速 n B /min –1 | |
| 參考轉速(sù) n B /min –1 | 1850 |
地址
聯系電(dian)話
傳真
電子郵(you)件
技(ji)術支持:華軸網(wǎng)