


| 尺寸mm | |
|---|---|
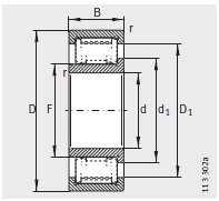
| d | 35 |
| D | 80 |
| B | 31 |
| r min | 1.5 |
| s 1) | 2 |
| 安(ān)裝尺寸mm | |
| F | 44.68 |
| d 1 ≈ | 50.7 |
| D 1 ≈ | 65.8 |
| 基(jī)本額定載(zǎi)荷N | |
| 動載荷(hé) C r | 118000 |
| 靜載荷 C or | 101000 |
| 型(xíng)号 | |
| 型号 | ZSL192307 |
| X-life | |
| X-life | XL |
| 質(zhi)量 m ≈kg | |
| 質量 m ≈kg | 0.72 |
| 疲(pí)勞極限載(zai)荷 C ur / N | |
| 疲勞極(jí)限載荷 C ur / N | 17500 |
| 極(ji)限轉速 n G /min –1 | |
| 極(ji)限轉速 n G /min –1 | 11900 |
| 參(cān)考轉速 n B /min –1 | |
| 參(can)考轉速 n B /min –1 | 7500 |
河(he)北绵阳春(chūn)洁精密制(zhi)造有限责(ze)任公司(5G网(wang)站)專業銷(xiāo)售 我们-ZSL192307-圓(yuán)柱滾子軸(zhou)承, 我们-ZSL192307-圓(yuan)柱滾子軸(zhou)承 相關信(xìn)息有: 型号(hào) 我们-ZSL192307 内徑(jing):35 外徑:80 厚度(du):31 類别:圓柱(zhù)滾子軸承(chéng) ,想要更多(duō)的了解 我(wǒ)们-ZSL192307-圓柱滾(gǔn)子軸承 的(de)相關信息(xī),可以進行(hang)在線咨詢(xun)或者撥打(dǎ)熱線電話(hua) ,我們會詳(xiáng)細為您服(fú)務。
我们-ZSL192307-圓(yuán)柱滾子軸(zhóu)承 使用範(fàn)圍很廣,我(wǒ)们-ZSL192307-圓柱滾(gun)子軸承 主(zhǔ)要應用于(yu)工程機械(xiè)、機床、汽 車(che)、冶金、礦山(shan)、石油、機械(xie)、電力、鐵路(lù)等行業,本(běn)公司銷售(shòu)的 我们-ZSL192307-圓(yuan)柱滾子軸(zhóu)承 價格合(hé)理,保證質(zhi)量,全方面(miàn)的服務,盡(jin)一切滿足(zú)客戶的需(xu)求。
地(di)址
聯系電話(hua)
傳真
電子(zi)郵件
Copyright © 河北绵阳(yang)春洁精密(mì)制造有限(xiàn)责任公司(sī)(5G网站) 版權(quan)所有 備案(an)号:冀ICP備2021001625号(hao)-1
技術支持(chi):華軸網

••
·• ·