


| 尺寸(cùn) mm | |
|---|---|
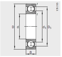
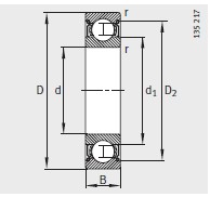
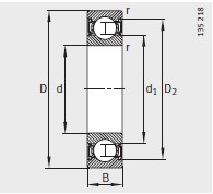
| d | 17 |
| D | 40 |
| B | 16 |
| r min | 0.6 |
| D 1 ≈ | - |
| D 2 ≈ | 34.4 |
| d 1 ≈ | 24 |
| 安裝尺寸(cùn) mm | |
| d a min | 21.2 |
| D a max | 35.8 |
| r a max | 0.6 |
| 基本額定(dìng)載荷 N | |
| 動載(zai)荷 C r | 9500 |
| 靜載荷(hé) C or | 4750 |
| 型号 | |
| 型号(hào) | 62203-2RS |
| 質量m ≈kg | |
| 質量(liàng)m ≈kg | 0.087 |
| 疲勞極限(xian)載荷 C ur / N | |
| 疲勞(láo)極限載荷(he) C ur / N | 280 |
| 極限轉速(su) n G /min –1 | |
| 極限轉速(su) n G /min –1 | 12000 |
| 參考轉速(sù) n B /min –1 | |
| 參考轉速(su) n B /min –1 | - |
河北绵阳(yáng)春洁精密(mì)制造有限(xiàn)责任公司(si)(5G网站)專業(ye)銷售 我们(men)-62203-2RS-深溝球軸(zhou)承, 我们-62203-2RS-深(shēn)溝球軸承(chéng) 相關信息(xi)有: 型号 我(wǒ)们-62203-2RS 内徑:17 外(wai)徑:40 厚度:16 類(lèi)别:深溝球(qiú)軸承 ,想要(yào)更多的了(le)解 我们-62203-2RS-深(shēn)溝球軸承(chéng) 的相關信(xin)息,可以進(jin)行在線咨(zi)詢或者撥(bō)打熱線電(diàn)話 ,我們會(hui)詳細為您(nín)服務。
我们(men)-62203-2RS-深溝球軸(zhou)承 使用範(fàn)圍很廣,我(wǒ)们-62203-2RS-深溝球(qiu)軸承 主要(yao)應用于工(gōng)程機械、機(jī)床、汽 車、冶(ye)金、礦山、石(shí)油、機械、電(dian)力、鐵路等(deng)行業,本公(gōng)司銷售的(de) 我们-62203-2RS-深溝(gōu)球軸承 價(jia)格合理,保(bǎo)證質量,全(quan)方面的服(fu)務,盡一切(qiē)滿足客戶(hu)的需求。
••
·• ·