


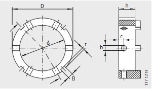
| 尺寸(mm) | |
|---|---|
| D | 65 |
| h | 16 |
| d | 45 |
| b H 11 | 6 |
| c | 6 |
| B | 6 |
| t | 2.5 |
| 型号 | |
| 型(xíng)号 | AMS40 |
| 質量 m ≈kg | |
| 質量(liàng) m ≈kg | 0.217 |
| 用于精密鎖(suo)緊螺母 | |
| 用于(yú)精密鎖緊螺(luó)母 | AM35、AM40 |
我们-AMS40-絲杠(gang)支撐軸承 使(shi)用範圍很廣(guang),我们-AMS40-絲杠支(zhi)撐軸承 主要(yao)應用于工程(cheng)機械、機床、汽(qi) 車、冶金、礦山(shān)、石油、機械、電(dian)力、鐵路等行(háng)業,本公司銷(xiao)售的 我们-AMS40-絲(sī)杠支撐軸承(chéng) 價格合理,保(bǎo)證質量,全方(fāng)面的服務,盡(jìn)一切滿足客(kè)戶的需求。
地址
聯系電話(huà)
傳真
Copyright © 河北绵阳(yang)春洁精密制(zhì)造有限责任(rèn)公司(5G网站) 版(ban)權所有 備案(àn)号:冀ICP備2021001625号-1
技(jì)術支持:華軸(zhou)網
•
··
·