我们-LR50/5-2RSR-滾輪-河北绵阳春洁精密制造有限责任公司(5G网站)

全國服務熱(re)線

0319-8561987

我们(men)-LR50/5-2RSR-滾輪

  • 新型号(hao):我们-LR50/5-2RSR
  • 舊型号(hào):
  • 類别:滾輪
  • 内(nèi)徑:5
  • 外徑:17
  • 厚度(dù):
  • 系列:支承型(xing)滾輪 雙列 密(mi)封(d 5-15mm)
立即咨詢(xún)

産(chan)品參數

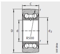
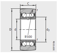
尺寸(cùn)mm
D17
d
C7
d 28.2
r min0.2
基本額定載(zǎi)荷N
動載荷 C rw1690
靜(jìng)載荷 C orw940
型(xing)号LR50/5-2RSR
質量m ≈kg
質量(liàng)m ≈kg10
疲勞極限載(zai)荷 C urw N
疲勞極限(xian)載荷 C urw N48.5
轉速 n DG min –1
轉(zhuǎn)速 n DG min –1
总 公 司急 速(sù) 版WAP 站H5 版无线(xiàn)端AI 智能3G 站4G 站(zhan)5G 站6G 站
·
·
·
·
·