


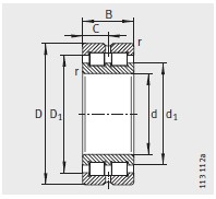
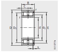
| 尺寸mm | |
|---|---|
| d | 380 |
| D | 560 |
| B | 243 |
| r min | 5 |
| s | 14.1 |
| 安裝尺寸(cun)mm | |
| c | 121.5 |
| d 1 ≈ | 432 |
| D 1 ≈ | 499 |
| E | 521.25 |
| 基本額定載荷(hé)N | |
| 動載荷 C r | 4450000 |
| 靜載荷(he) C or | 8900000 |
| 半定位軸承 型(xing)号 | |
| 半定位軸承(cheng) 型号 | SL185076-TB |
| 定位軸承(cheng) 型号 | |
| 定位軸承(chéng) 型号 | - |
| 浮動軸承(cheng) 型号 | |
| 浮動軸承(chéng) 型号 | - |
| 型号按照(zhao) DIN5412 | |
| 型号按照 DIN5412 | - |
| 質量(liàng) m ≈kg | |
| 質量 m ≈kg | 196.5 |
| 疲勞極限(xiàn)載荷 C ur / N | |
| 疲勞極限(xian)載荷 C ur / N | 850000 |
| 極限轉速(sù) n G /min –1 | |
| 極限轉速 n G /min –1 | 700 |
| 參考(kao)轉速 n B /min –1 | |
| 參考轉速(su) n B /min –1 | 305 |
地址(zhi)
聯(lian)系電話
傳真
•
·• ·•·
•