


| 尺寸mm | |
|---|---|
| d | 42 |
| D | 68 |
| B | 36 |
| C | 18 |
| d 1 | 58.5 |
| B 1 | 9 |
| r min | 1 |
| r 1 min | 0.15 |
| d s | 3.2 |
| n s | 4.8 |
| 安裝(zhuang)尺寸mm | |
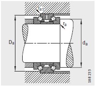
| d a h12 | 51.5 |
| D a H12 | 63.5 |
| r a max | 1 |
| r a1 max | 0.15 |
| 基本(běn)額定載荷(he)N | |
| 動載荷 C a | 22900 |
| 靜(jing)載荷 C oa | 59000 |
| 極限(xian)轉速 | |
| n G 脂 min –1 | 8500 |
| n G 油(yóu) min –1 | 12000 |
| 型号 | |
| 型号(hao) | 234708-M-SP |
| 質量m ≈kg | |
| 質量(liàng)m ≈kg | 0.371 |
| 疲勞極限(xiàn)載荷 C ua N | |
| 疲勞(lao)極限載荷(he) C ua N | 5300 |
地址
傳真
電(diàn)子郵件
Copyright © 河北绵(mian)阳春洁精(jīng)密制造有(you)限责任公(gong)司(5G网站) 版(bǎn)權所有 備(bei)案号:冀ICP備(bei)2021001625号-1
技術支(zhī)持:華軸網(wang)

••
·• ·•·
•