


| 尺寸mm | |
|---|---|
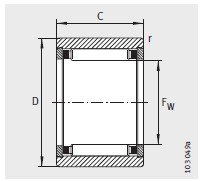
| F w | 16 |
| D | 24 |
| C | 20 |
| r min | 0.3 |
| 靜載(zai)荷 C or | 18800 |
| 基本額定載(zǎi)荷N | |
| 動載荷 C r | 16300 |
| X-life | |
| X-life | XL |
| 疲勞(láo)極限載荷 C ur /N | |
| 疲勞(láo)極限載荷 C ur /N | 3250 |
| 極限(xian)轉速 n G min –1 | |
| 極限轉速(sù) n G min –1 | 23200 |
| 質量m ≈kg | |
| 質量m ≈kg | 28.4 |
| 參考(kǎo)轉速 n B min –1 | |
| 參考轉速(su) n B min –1 | 15900 |
| 型号1 | |
| 型号1 | NK16/20 |
| 型号(hào)2 | |
| 型号2 | - |
| 型号3 | |
| 型号(hao)3 | - |
地址
聯系(xi)電話
電子(zi)郵件
Copyright © 河北绵阳(yang)春洁精密制造(zao)有限责任公司(si)(5G网站) 版權所有(you) 備案号:冀ICP備2021001625号(hào)-1
·
••
·• ·