


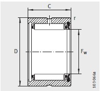
| 尺寸(cùn)mm | |
|---|---|
| F w | 30 |
| D | 42 |
| C | 17 |
| r min | 0.3 |
| 靜載荷 C or | 24200 |
| 基本額定(dìng)載荷N | |
| 動載荷 C r | 21800 |
| X-life | |
| X-life | XL |
| 疲勞(lao)極限載荷 C ur /N | |
| 疲勞極(jí)限載荷 C ur /N | 4550 |
| 極限轉速(su) n G min –1 | |
| 極限轉速 n G min –1 | 6500 |
| 質量m ≈kg | |
| 質(zhi)量m ≈kg | 60 |
| 型号1 | |
| 型号1 | RNA4905-RSR |
| 型号(hao)2 | |
| 型号2 | RNA4905-2RSR |
我们-RNA4905-2RSR-機(jī)加工滾針軸承 使(shǐ)用範圍很廣,我们(men)-RNA4905-2RSR-機加工滾針軸承(chéng) 主要應用于工程(cheng)機械、機床、汽 車、冶(ye)金、礦山、石油、機械(xiè)、電力、鐵路等行業(yè),本公司銷售的 我(wo)们-RNA4905-2RSR-機加工滾針軸(zhóu)承 價格合理,保證(zhèng)質量,全方面的服(fu)務,盡一切滿足客(kè)戶的需求。
