

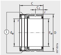
| 尺寸mm | |
|---|---|
| 用于(yú)脂潤滑 | NX25-Z |
| F w | 25 |
| D | 37 |
| C -0.25 | 30 |
| C 1 | 8 |
| d w E8 | 25 |
| r min | 0.3 |
| 基本額(é)定載荷N | |
| 徑向 動(dong)載荷/C r | 16800 |
| 徑向 靜載(zǎi)荷/C or | 22400 |
| 軸向 動載荷(he)/C r | 11100 |
| 軸向 靜載荷/C or | 24300 |
| 型(xing)号 | |
| 用于油潤滑(huá) | NX25 |
| X-life | XL |
| 質量m ≈kg | 115 |
| 極限轉速(su) n G min –1 | |
| 極限轉速 n G min –1 | 4900 |
| 疲勞(lao)極限載荷N | |
| C ur | 4150 |
| C ua | 1080 |
| 安裝(zhuang)尺寸mm | |
| C 2 | 14.2 |
| D 1 | 40.4 |
| d a | 31.6 |
| r a max | 0.3 |
| 推薦的内(nèi)圈 型号 | |
| 推薦的(de)内圈 型号 | IR20X25X16-IS1 |
| 合适(shì)的卡環 | |
| 合适的(de)卡環 | WR37、SW37 |
河北绵阳春洁(jié)精密制造有限(xiàn)责任公司(5G网站(zhan))專業銷售 我们(men)-NX25-Z-機加工滾針軸(zhou)承, 我们-NX25-Z-機加工(gong)滾針軸承 相關(guan)信息有: 型号 我(wo)们-NX25-Z 内徑:25 外徑:37 厚(hòu)度:30 類别:機加工(gong)滾針軸承 ,想要(yao)更多的了解 我(wo)们-NX25-Z-機加工滾針(zhēn)軸承 的相關信(xin)息,可以進行在(zai)線咨詢或者撥(bō)打熱線電話 ,我(wo)們會詳細為您(nín)服務。
我们-NX25-Z-機加(jiā)工滾針軸承 使(shi)用範圍很廣,我(wo)们-NX25-Z-機加工滾針(zhēn)軸承 主要應用(yòng)于工程機械、機(jī)床、汽 車、冶金、礦(kuang)山、石油、機械、電(diàn)力、鐵路等行業(yè),本公司銷售的(de) 我们-NX25-Z-機加工滾(gǔn)針軸承 價格合(hé)理,保證質量,全(quán)方面的服務,盡(jìn)一切滿足客戶(hù)的需求。
Copyright © 河北(bei)绵阳春洁精密(mì)制造有限责任(rèn)公司(5G网站) 版權(quán)所有 備案号:冀(jì)ICP備2021001625号-1
技術支持(chi):華軸網
·• ·•
•