


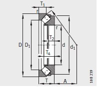
| 尺寸mm | |
|---|---|
| d | 460 |
| D | 620 |
| T | 95 |
| D 1 | 528 |
| d 1 | 590 |
| r min | 5 |
| T 1 | 46 |
| T 2 | 34 |
| T 3 | 61 |
| T 4 | 70 |
| A | 245 |
| 安裝尺寸mm | |
| d a min | 530 |
| D a max | 575 |
| D b min | 632 |
| d b max | 477 |
| r a max | 4 |
| 基(ji)本額定載荷N | |
| 動載(zǎi)荷 C a | 2700000 |
| 靜載荷 C oa | 13400000 |
| 型号 | |
| 型(xíng)号 | 29292-E-MB |
| 質量m ≈kg | |
| 質量m ≈kg | 76.3 |
| 疲勞(lao)極限載荷 C ua N | |
| 疲勞極(ji)限載荷 C ua N | 660000 |
| 極限轉速(su) n G min –1 | |
| 極限轉速 n G min –1 | 950 |
| 參考轉(zhuǎn)速 n B min –1 | |
| 參考轉速 n B min –1 | 530 |
河北绵阳春(chun)洁精密制造有限(xiàn)责任公司(5G网站)專(zhuan)業銷售 我们-29292-E-MB-推力(lì)調心滾子軸承, 我(wo)们-29292-E-MB-推力調心滾子(zi)軸承 相關信息有(you): 型号 我们-29292-E-MB 内徑:460 外(wai)徑:620 厚度:95 類别:推力(li)調心滾子軸承 ,想(xiǎng)要更多的了解 我(wǒ)们-29292-E-MB-推力調心滾子(zǐ)軸承 的相關信息(xi),可以進行在線咨(zi)詢或者撥打熱線(xian)電話 ,我們會詳細(xì)為您服務。
我们-29292-E-MB-推(tui)力調心滾子軸承(cheng) 使用範圍很廣,我(wo)们-29292-E-MB-推力調心滾子(zi)軸承 主要應用于(yu)工程機械、機床、汽(qì) 車、冶金、礦山、石油(yóu)、機械、電力、鐵路等(deng)行業,本公司銷售(shou)的 我们-29292-E-MB-推力調心(xīn)滾子軸承 價格合(he)理,保證質量,全方(fang)面的服務,盡一切(qie)滿足客戶的需求(qiú)。
Copyright © 河北绵阳春洁(jié)精密制造有限责(zé)任公司(5G网站) 版權(quan)所有 備案号:冀ICP備(bèi)2021001625号-1
·• ·•·
•