産品參數(shu)
| 尺寸mm | |
|---|---|
| d | 170 |
| D | 340 |
| T | 103 |
| D 1 | 236 |
| d 1 | 305 |
| r min | 5 |
| T 1 | 50 |
| T 2 | - |
| T 3 | 65.5 |
| T 4 | - |
| T 5 | 89.5 |
| A | 104 |
| 安裝尺寸mm | |
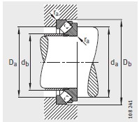
| d a min | 250 |
| D a max | 288 |
| D b min | 346 |
| d b max | 186 |
| d b1 max | 199 |
| r a max | 4 |
| 基(jī)本額定載荷N | |
| 動載(zai)荷 C a | 2550000 |
| 靜載荷 C oa | 6900000 |
| 型号 | |
| 型(xíng)号 | 29434-E1 |
| X-life | |
| X-life | XL |
| 質量m ≈kg | |
| 質量m ≈kg | 39.6 |
| 疲勞(lao)極限載荷 C ua N | |
| 疲勞極(jí)限載荷 C ua N | 700000 |
| 極限轉速(sù) n G min –1 | |
| 極限轉速 n G min –1 | 2000 |
| 參考轉(zhuan)速 n B min –1 | |
| 參考轉速 n B min –1 | 1030 |






