


| 型号(hào) | |
|---|---|
| 軸承 | 51204 |
| 墊(niàn)圈 | - |
| 質量(liang)m | |
| 軸承 ≈kg | 0.082 |
| 墊(nian)圈 ≈kg | - |
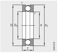
| 尺寸(cùn)mm | |
| d | 20 |
| D | 40 |
| T | 14 |
| D 1 | 22 |
| d 1 | 40 |
| r min | 0.6 |
| R | - |
| A | - |
| D 2 | - |
| D 3 | - |
| C | - |
| T 1 | - |
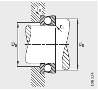
| 安裝尺(chi)寸mm | |
| d a min | 32 |
| D a max | 28 |
| r a max | 0.6 |
| 基本(ben)額定載(zǎi)荷N | |
| 動載(zǎi)荷 C a | 22400 |
| 靜載(zǎi)荷 C oa | 37500 |
| 疲勞(lao)極限載(zai)荷 C ua N | |
| 疲勞(láo)極限載(zǎi)荷 C ua N | 1660 |
| 最小(xiao)載荷系(xi)數 A | |
| 最小(xiao)載荷系(xi)數 A | 0.01 |
| 極限(xiàn)轉速 n G min –1 | |
| 極(jí)限轉速(sù) n G min –1 | 7500 |
河北(bei)绵阳春(chūn)洁精密(mì)制造有(yǒu)限责任(ren)公司(5G网(wǎng)站)專業(ye)銷售 我(wǒ)们-51204-推力(li)球軸承(cheng), 我们-51204-推(tui)力球軸(zhou)承 相關(guān)信息有(yǒu): 型号 我(wǒ)们-51204 内徑(jing):20 外徑:40 厚(hou)度:14 類别(bié):推力球(qiú)軸承 ,想(xiǎng)要更多(duō)的了解(jie) 我们-51204-推(tuī)力球軸(zhou)承 的相(xiang)關信息(xi),可以進(jin)行在線(xian)咨詢或(huò)者撥打(dǎ)熱線電(dian)話 ,我們(men)會詳細(xì)為您服(fu)務。
我们(men)-51204-推力球(qiu)軸承 使(shi)用範圍(wéi)很廣,我(wo)们-51204-推力(lì)球軸承(chéng) 主要應(ying)用于工(gōng)程機械(xie)、機床、汽(qì) 車、冶金(jin)、礦山、石(shi)油、機械(xiè)、電力、鐵(tie)路等行(háng)業,本公(gōng)司銷售(shòu)的 我们(men)-51204-推力球(qiú)軸承 價(jià)格合理(lǐ),保證質(zhi)量,全方(fāng)面的服(fu)務,盡一(yi)切滿足(zú)客戶的(de)需求。
地(di)址
傳真(zhēn)

