


| 尺寸(cùn)mm | |
|---|---|
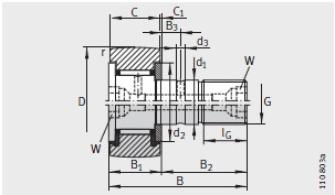
| D | 16 |
| d 1 h7 | 6 |
| B | 28 |
| B 1 max | 12.2 |
| B 2 | 16 |
| B 3 | - |
| C | 11 |
| C 1 | 0.6 |
| r min | 0.15 |
| d 2 | 12.5 |
| d 3 | - |
| G | M6(×1) |
| l G | 8 |
| W 2) | - |
| 偏心套 d e h9 | - |
| 偏心套(tao) B e | - |
| 偏心套 e | - |
| 基本額(e)定載荷N | |
| 動載荷(he) C rw | 3150 |
| 靜載荷 C orw | 3350 |
| 型号 | |
| 型(xing)号 | KR163) |
| 質量m ≈kg | |
| 質量m ≈kg | 19 |
| 疲(pi)勞極限載荷 C urw N | |
| 疲(pi)勞極限載荷 C urw N | 450 |
| 轉(zhuan)速 n DG min –1 | |
| 轉速 n DG min –1 | 14000 |
| 帶偏心(xin)套 型号 | |
| 帶偏心(xīn)套 型号 | - |
| 壓入式(shì)配合 潤滑油嘴(zui) 1) | |
| 壓入式配合 潤(rùn)滑油嘴 1) | NIPA1 |
| 擰緊力(lì)矩 MA Nm | |
| 擰緊力矩 MA Nm | 3 |
地址
電子郵件(jiàn)
Copyright © 河北绵阳春洁(jié)精密制造有限(xian)责任公司(5G网站(zhan)) 版權所有 備案(àn)号:冀ICP備2021001625号-1
技術(shu)支持:華軸網