


| 型号 | |
|---|---|
| 軸承(cheng) | 21309-E1-K |
| X-life | XL |
| 退卸套 | AH309 |
| 質(zhi)量m | |
| 軸承 ≈kg | 0.845 |
| 退(tuì)卸套 ≈kg | 0.108 |
| 尺寸(cun) mm | |
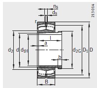
| d 1H | 40 |
| d | 45 |
| D | 100 |
| B | 25 |
| r min | 1.5 |
| D 1 ≈ | 89.8 |
| d 2 ≈ | 67.6 |
| d s | 3.2 |
| n s | 4.8 |
| a ≈ | 3 |
| b | 6 |
| 螺紋 d 2G | M50×1.5 |
| I | 31 |
| 安裝(zhuang)尺寸 mm | |
| d a min | 54 |
| D a max | 91 |
| r a max | 1.5 |
| 基本(ben)額定載荷(hé) N | |
| 動載荷 C r | 129000 |
| 靜(jìng)載荷 C or | 130000 |
| 計算(suàn)系數 | |
| e | 0.23 |
| Y 1 | 2.92 |
| Y 2 | 4.35 |
| Y 0 | 2.86 |
| 疲勞(láo)極限載荷(hé) C ur / N | |
| 疲勞極限(xian)載荷 C ur / N | 17300 |
| 極限(xiàn)轉速 n G /min –1 | |
| 極限(xiàn)轉速 n G /min –1 | 8500 |
| 參考(kao)轉速 n B /min –1 | |
| 參考(kǎo)轉速 n B /min –1 | 5500 |
地址(zhi)
聯(lian)系電話
傳(chuán)真
電子郵(yóu)件
技(jì)術支持:華(hua)軸網