


| 型号(hào) | |
|---|---|
| 軸承 | SNV170-L |
| 座軸(zhou)承 | 22316-E1-K |
| 緊定套(tao) | H2316 |
| 止動環 2件(jian) | FRM170/5 |
| 雙唇密封(feng)圈 | DH616 |
| 帶O形圈(quan)的 迷宮密(mì)封圈 | TSV616 |
| 毛氈(zhān)密封 | FSV616 |
| V型圈(quān) | DHV616 |
| Taconite 密封 | TCV616 |
| 軸承(chéng)蓋 | DKV170 |
| 尺寸 | |
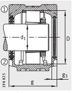
| d 1 mm | 70 |
| d 1 inch | - |
| a | 345 |
| g | 150 |
| h 1 | 219 |
| b | 100 |
| c | 35 |
| D | 170 |
| g L | 167.3 |
| g v | 158 |
| g T | 193 |
| g 3 | 16 |
| h | 112 |
| m | 290 |
| u | 22 |
| v | 27 |
| s mm | M20 |
| s inch | 3/4 |
| 質(zhi)量m 軸承座(zuò) ≈kg | |
| 質量m 軸承(chéng)座 ≈kg | 14.4 |

•
• •