


| 型号 | |
|---|---|
| 軸承(chéng)座 | SD3140-H-TS-A-L |
| 軸承 | 23140-B-K-MB |
| 緊定(dìng)套 | H3140 |
| 止動環(件(jian)) | FRM340/10(2) |
| 帶O形圈的迷(mi)宮密封圈(件(jian)) | TS40(1) |
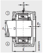
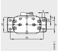
| 尺寸 | |
| d 1 | 180 |
| a | 610 |
| g | 280 |
| h 1 | 410 |
| b | 230 |
| c | 85 |
| D | 340 |
| e | 10 |
| g L | - |
| g 3 | 35 |
| h | 210 |
| m | 510 |
| n | 130 |
| u | 36 |
| v | 42 |
| s mm | M30 |
| s inch | 1 1/8 |
| 質量 m 軸(zhou)承座 ≈kg | |
| 質量 m 軸(zhóu)承座 ≈kg | 120 |
地址
聯系電話(huà)
傳真
電子郵(you)件
Copyright © 河北绵阳(yáng)春洁精密制(zhi)造有限责任(ren)公司(5G网站) 版(ban)權所有 備案(àn)号:冀ICP備2021001625号-1

••
·• ·•·
•