


| 型号 | |
|---|---|
| 軸(zhóu)承座 | BND3228 |
| 軸(zhou)承 | 23228- |
| 緊定(dìng)套 | H2328 |
| 尺寸(cùn) | |
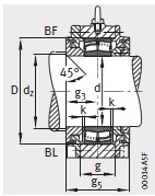
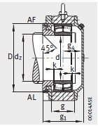
| d | 140 |
| d 1 | 125 |
| a | 530 |
| g 1 | 186 |
| h 1 | 345 |
| b | 160 |
| C | 50 |
| D | 250 |
| d c | 137 |
| d z | 152 |
| g | 108 |
| g 2 | 216 |
| g 3 | 98 |
| g 4 | 80 |
| g 5 | 196 |
| h | 170 |
| k | 3 |
| m | 430 |
| n | 85 |
| u | 30 |
| v | 35 |
| s | M24 |
| t | 285 |
| s 2 | M16 |
| s 2 數量 | 6 |
| 質(zhi)量 m 軸承(chéng)座 ≈kg | |
| 質量(liang) m 軸承座(zuo) ≈kg | 65 |

•·
• •