


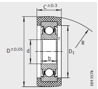
| 尺寸mm | |
|---|---|
| D | 27.5 |
| d | 8 |
| C | 11 |
| b | 7 |
| D 1 | 20 |
| R | 500 |
| r min | 0.3 |
| 型(xíng)号 | |
| 型号 | KLRU08X28X11-2Z |
| 質(zhi)量m ≈kg | |
| 質量m ≈kg | 16 |
| 深(shēn)溝球軸承(chéng)的 基本額(é)定載荷 | |
| 動(dong)載荷 C r N | 3200 |
| 靜載(zai)荷 C or N | 1250 |
| 滾輪的(de)基本 額定(ding)載荷 1) F rper N | |
| 滾輪(lun)的基本 額(é)定載荷 1) F rper N | 250 |
| 已(yǐ)安裝深溝(gou)球 軸承 | |
| 已(yi)安裝深溝(gōu)球 軸承 | 608-2Z |
河(he)北绵阳春(chūn)洁精密制(zhi)造有限责(ze)任公司(5G网(wang)站)專業銷(xiao)售 我们-KLRU08X28X11-2Z-滾(gun)輪, 我们-KLRU08X28X11-2Z-滾(gǔn)輪 相關信(xin)息有: 型号(hao) 我们-KLRU08X28X11-2Z 内徑(jìng):8 外徑:27.5 厚度(dù): 類别:滾輪(lun) ,想要更多(duō)的了解 我(wo)们-KLRU08X28X11-2Z-滾輪 的(de)相關信息(xī),可以進行(hang)在線咨詢(xun)或者撥打(dǎ)熱線電話(huà) ,我們會詳(xiáng)細為您服(fú)務。
聯系電話(huà)
傳真
電子(zi)郵件
Copyright © 河北绵阳(yáng)春洁精密(mi)制造有限(xian)责任公司(si)(5G网站) 版權(quán)所有 備案(an)号:冀ICP備2021001625号(hào)-1
技術支持(chi):華軸網

··
·
•