


| 尺寸mm | |
|---|---|
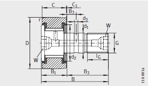
| D | 52 |
| d 1 h7 | 20 |
| B | 66 |
| B 1 max | 25.6 |
| B 2 | 40.5 |
| B 3 | 9 |
| C | 24 |
| C 1 | 0.8 |
| r min | 1 |
| d 2 | 36.5 |
| d 3 | 4 |
| G | M20×1.5 |
| l G | 21 |
| W 2) | 10 |
| 偏心(xin)套 d e h9 | 24 |
| 偏心套 B e | 18 |
| 偏(pian)心套 e | 1 |
| 基本額(é)定載荷N | |
| 動載(zǎi)荷 C rw | 16600 |
| 靜載荷 C orw | 29000 |
| 型(xíng)号 | |
| 型号 | KR52-PP |
| 質量(liang)m ≈kg | |
| 質量m ≈kg | 454 |
| 疲勞極(ji)限載荷 C urw N | |
| 疲勞(láo)極限載荷 C urw N | 3800 |
| 轉(zhuan)速 n DG min –1 | |
| 轉速 n DG min –1 | 2400 |
| 帶偏(pian)心套 型号 | |
| 帶(dài)偏心套 型号(hao) | KRE52-PP |
| 壓入式配合(hé) 潤滑油嘴 1) | |
| 壓(ya)入式配合 潤(rùn)滑油嘴 1) | NIPA2X7.5 |
| 擰緊(jin)力矩 MA Nm | |
| 擰緊力(lì)矩 MA Nm | 120 |
Copyright © 河(hé)北绵阳春洁(jie)精密制造有(you)限责任公司(sī)(5G网站) 版權所(suo)有 備案号:冀(jì)ICP備2021001625号-1
技術支(zhī)持:華軸網


•·
• •