


| 型号1 | AXW25 |
| 質量(liang)m ≈kg | 20 |
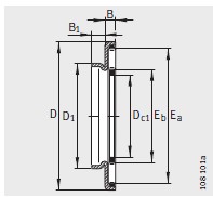
| 尺寸mm | |
| D c1 | 25 |
| D 1 | 32 |
| D | 45 |
| B | 3.2 |
| B 1 | 4 |
| 滾道尺寸 | |
| E b | 29 |
| E a | 41 |
| 基(ji)本額定載荷N | |
| 動載(zǎi)荷 C a | 14700 |
| 靜載荷 C oa | 58000 |
| 疲勞極(ji)限載荷 C ua N | |
| 疲勞極限(xiàn)載荷 C ua N | 5900 |
| 極限轉速 n G min –1 | |
| 極(jí)限轉速 n G min –1 | 8400 |
| 參考轉速(su) n B min –1 | |
| 參考轉速 n B min –1 | 4250 |
河北绵阳春洁(jie)精密制造有限责(zé)任公司(5G网站)專業(ye)銷售 我们-AXW25-推力滾(gǔn)針軸承, 我们-AXW25-推力(li)滾針軸承 相關信(xin)息有: 型号 我们-AXW25 内(nei)徑: 外徑: 厚度: 類别(bie):推力滾針軸承 ,想(xiang)要更多的了解 我(wo)们-AXW25-推力滾針軸承(chéng) 的相關信息,可以(yǐ)進行在線咨詢或(huo)者撥打熱線電話(hua) ,我們會詳細為您(nin)服務。
我们-AXW25-推力滾(gǔn)針軸承 使用範圍(wéi)很廣,我们-AXW25-推力滾(gǔn)針軸承 主要應用(yong)于工程機械、機床(chuang)、汽 車、冶金、礦山、石(shi)油、機械、電力、鐵路(lu)等行業,本公司銷(xiāo)售的 我们-AXW25-推力滾(gǔn)針軸承 價格合理(li),保證質量,全方面(miàn)的服務,盡一切滿(mǎn)足客戶的需求。
地址
聯系(xì)電話
傳真
技術支持(chí):華軸網
·
·
••