我们-29338-E1-推力調心滾子軸承-河北绵阳春洁精密制造有限责任公司(5G网站)

全國服務熱(re)線

0319-8561987

我们(men)-29338-E1-推力調心滾(gun)子軸承

  • 新型(xing)号:我们-29338-E1
  • 舊型(xíng)号:
  • 類别:推力(lì)調心滾子軸(zhóu)承
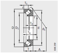
  • 内徑:190
  • 外徑(jìng):320
  • 厚度:78
  • 系列:d 60-200mm
立(li)即咨詢

産品參(cān)數

尺寸mm
d190
D
T78
D 1243.5
d 1290.1
r min4
T 136
T 2
T 349
T 4-
T 570
A110
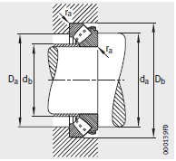
安裝(zhuāng)尺寸mm
250
D b min325
d b max201
d b1 max211
r a max3
基本額(e)定載荷N
動載(zǎi)荷 C a
靜載荷 C oa4850000
型(xing)号
型号29338-E1
X-life
XL
質量(liàng)m ≈kg
22.3
疲勞(lao)極限載荷 C ua N580000
極(jí)限轉速 n G min –1
極限(xiàn)轉速 n G min –12200
參考轉(zhuan)速 n B min –1
參考轉速(sù) n B min –11090
  • 地址

    河北(bei)省邢台市臨(lín)西縣臨西鎮(zhèn)陳林村東北(bei)縣敬老院南(nan)600米

  • 傳真

    0319-8561987

  • 電子郵(you)件

    [email protected]

·
·