


| 型号 | |
|---|---|
| 軸承 | 54210 |
| 墊圈(quan) | U210 |
| 質量m | |
| 軸承 ≈kg | 0.625 |
| 墊圈 ≈kg | 0.098 |
| 尺(chǐ)寸mm | |
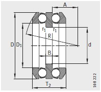
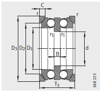
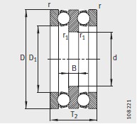
| d | 40 |
| D | 78 |
| T 2 | 42 |
| D 1 | 52 |
| B | 9 |
| r min | 1 |
| r 1 min | 0.6 |
| R | 64 |
| A | 30.5 |
| D 2 | 62 |
| D 3 | 82 |
| C | 7.5 |
| T 3 | 47 |
| 安裝尺寸mm | |
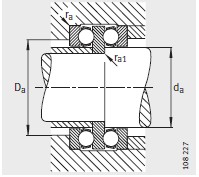
| d a | 50 |
| D a max | 62 |
| r a max | 1 |
| r a1 max | 0.6 |
| 基本(běn)額定載荷N | |
| 動載荷(he) C a | 50000 |
| 靜載荷 C oa | 106000 |
| 疲勞極限(xian)載荷 C ua N | |
| 疲勞極限載(zǎi)荷 C ua N | 4700 |
| 最小載荷系數(shu) A | |
| 最小載荷系數 A | 0.07 |
| 極(ji)限轉速 n G min –1 | |
| 極限轉速(sù) n G min –1 | 4300 |
Copyright © 河北绵(mian)阳春洁精密制造(zào)有限责任公司(5G网(wang)站) 版權所有 備案(àn)号:冀ICP備2021001625号-1
技術支(zhī)持:華軸網


•
•